|
一、使用條件
|
SPL、DPL型網片式油濾器適用于各種型號的稀油潤滑裝置的過濾,應用于石油、電力、化工、冶金、建材、輕工等各種工業部門以提高油的清潔度。
網片式油濾器分為SPL雙筒系列和DPL 單筒系列、油濾器運行可靠,維修方便,不需要其他動力源,過濾元件為金屬絲網制成的濾片,具有強度高,通油能力大,確保過濾精度,便于清洗等特點,SPL雙筒系列能在主機運行過程中實現不停機轉換和清洗。
|
|
|
二、技術參數
|
|
型號
|
公稱通徑DN
|
額定流量m3/h(L/min)
|
濾片尺寸mm
|
|
雙筒系列
|
單筒系列
|
內徑
|
外徑
|
|
SPL15
|
-
|
15
|
2(33.4)
|
20
|
40
|
|
SPL25
|
DPL25
|
25
|
5(83.4)
|
30
|
65
|
|
SPL32
|
-
|
32
|
8(134)
|
|
SPL40
|
DPL40
|
40
|
12(200)
|
45
|
90
|
|
SPL50
|
-
|
50
|
20(334)
|
60
|
125
|
|
SPL65
|
DPL65
|
65
|
30(500)
|
|
SPL80
|
DPL80
|
80
|
50(834)
|
70
|
155
|
|
SPL100
|
-
|
100
|
80(1334)
|
|
SPL125
|
-
|
125
|
120(2000)
|
90
|
175
|
|
SPL150
|
DPL150
|
150
|
180(3000)
|
|
SPL200
|
DPL200
|
200
|
320(5334)
|
|
1、最高工作溫度95℃;
2、最高工作壓力0.8MPa;
3、濾芯清洗壓降0.15MPa;
4、試驗介質粘度為24cSt 的清潔油液,當以額定流量通過油濾器時原始壓降不大于0.08MPa。
|
|
|
|
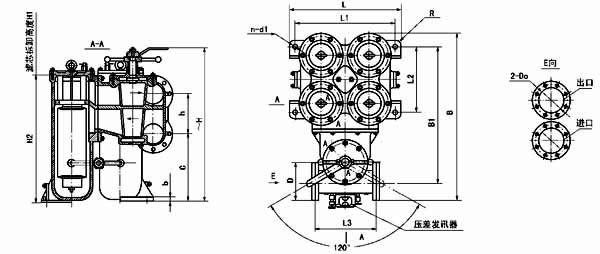
三、外形尺寸
|
|
SPL15~SPL40-C(側置式)
|
|
|
|
|
|
公稱通徑mm
|
安裝形式
|
外形尺寸mm
|
拆卸高度mm
|
管路連接尺寸mm
|
管路安裝尺寸
|
基座安裝尺寸mm
|
凈重
|
|
DN
|
|
H
|
B
|
L
|
H1
|
D
|
D0
|
C
|
h
|
L3
|
B1
|
H2
|
h1
|
L1
|
L2
|
b
|
R
|
n
|
d1
|
kg
|
|
15
|
C
|
328
|
180
|
196
|
260
|
M30 X 2
|
22
|
38
|
55
|
88
|
155
|
291
|
88
|
166
|
80
|
12
|
16
|
4
|
12
|
9.5
|
|
20
|
C
|
310
|
207
|
260
|
230
|
M33 2
|
26
|
34
|
65
|
90
|
177
|
258
|
90
|
230
|
100
|
12
|
15
|
4
|
15
|
11.5
|
|
25
|
D
|
315
|
232
|
230
|
270
|
M39 X 2
|
34
|
34
|
65
|
90
|
185
|
265
|
90
|
156
|
100
|
12
|
15
|
2
|
16.5
|
12
|
|
C
|
|
205
|
260
|
177
|
230
|
|
4
|
16.5
|
|
32
|
C
|
380
|
207
|
260
|
330
|
60 X 60
|
38
|
34
|
65
|
96
|
175
|
330
|
50
|
230
|
100
|
12
|
15
|
4
|
16.5
|
12
|
|
40
|
C
|
462
|
261
|
314
|
360
|
66 X 66
|
45
|
43
|
70
|
110
|
224
|
363
|
100
|
274
|
130
|
150
|
20
|
4
|
17
|
22
|
|
|
安裝形式;D 為頂掛式C- 為側置式,壓差發訊器為選配。
|
|
SPL50~SPL80-C(側置式) SPL50~SPL80-X(下置式)
|
|
|
|
公稱通徑mm
|
安裝形式
|
外形尺寸mm
|
拆卸高度mm
|
管路連接尺寸mm
|
管路安裝尺寸
|
基座安裝尺寸mm
|
凈重
|
|
DN
|
|
H
|
B
|
L
|
H1
|
D
|
D0
|
C
|
h
|
L3
|
B1
|
H2
|
h1
|
L1
|
L2
|
b
|
R
|
n
|
d1
|
kg
|
|
50
|
X
|
447
|
425
|
410
|
425
|
86X86
|
57
|
220
|
90
|
140
|
355
|
422
|
92
|
260
|
210
|
25
|
18
|
4
|
20
|
85
|
|
C
|
400
|
355
|
412
|
350
|
130
|
|
65
|
X
|
580
|
453
|
410
|
535
|
100X100
|
70
|
365
|
105
|
160
|
375
|
527
|
112
|
260
|
210
|
25
|
28
|
4
|
20
|
120
|
|
C
|
423
|
425
|
517
|
350
|
150
|
|
80
|
D
|
780
|
541
|
492
|
660
|
116X116
|
89
|
443
|
124
|
190
|
456
|
650
|
|
350
|
270
|
25
|
20
|
40
|
22
|
165
|
|
|
安裝形式X- 為下置式C- 為側置式 ()內尺寸為側置式 壓差發訊器為選配件 SPL80 提升機構見附圖(一)
|
|
SPL100~SPL125-X(下置式)
|
|
|
|
公稱通徑mm
|
外形尺寸mm
|
濾芯拆卸高度mm
|
管路連接尺寸mm
|
管路安裝尺寸
|
基座安裝尺寸mm
|
凈重
|
|
DN
|
H
|
B
|
L
|
H1
|
D
|
D0
|
C
|
h
|
L3
|
B1
|
H2
|
L1
|
L2
|
b
|
R
|
n
|
d1
|
kg
|
|
100
|
765
|
847
|
560
|
660
|
190
|
108
|
3360
|
200
|
687
|
300
|
640
|
500
|
330
|
20
|
32
|
4
|
22
|
370
|
|
125
|
850
|
900
|
605
|
760
|
215
|
133
|
385
|
225
|
682
|
340
|
730
|
540
|
270
|
20
|
320
|
4
|
22
|
420
|
|
|
法蘭標準GB573:壓差發訊器為選配件。
|
|
SPL150~SPL200-X(下置式)
|
|
|
|
公稱通徑mm
|
外形尺寸mm
|
濾芯拆卸高度mm
|
管路連接尺寸mm
|
管路安裝尺寸
|
基座安裝尺寸mm
|
凈重
|
|
DN
|
H
|
B
|
L
|
H1
|
D
|
D0
|
C
|
h
|
L3
|
B1
|
H2
|
L1
|
L2
|
b
|
R
|
n
|
d1
|
kg
|
|
100
|
890
|
1000
|
990
|
790
|
240
|
159
|
380
|
250
|
400
|
825
|
760
|
750
|
460
|
30
|
320
|
40
|
22
|
680
|
|
125
|
1058
|
1155
|
1180
|
945
|
310
|
219
|
450
|
315
|
440
|
960
|
910
|
920
|
520
|
30
|
40
|
4
|
34
|
800
|
|
|
DPL單筒網片濾油器
|
|
|
|
公稱通徑mm
|
外形尺寸mm
|
濾芯拆卸高度mm
|
管路連接尺寸mm
|
管路安裝尺寸
|
基座安裝尺寸mm
|
凈重
|
|
DN
|
H
|
B
|
L
|
H1
|
D
|
D0
|
C
|
h
|
L3
|
B1
|
H2
|
L1
|
L2
|
b
|
R
|
n
|
d1
|
kg
|
|
25
|
315
|
130
|
135
|
270
|
管接頭M39x2
|
310
|
34
|
60
|
70
|
264
|
139
|
100
|
90
|
12
|
15
|
4
|
16
|
6
|
|
40
|
440
|
143
|
173
|
360
|
66x66
|
14
|
36
|
70
|
80
|
364
|
177
|
130
|
125
|
14
|
20
|
4
|
18
|
12
|
|
65
|
580
|
195
|
285
|
535
|
100x100
|
70
|
79
|
105
|
105
|
517
|
261
|
165
|
150
|
18
|
25
|
4
|
22
|
25
|
|
80
|
700
|
238
|
320
|
685
|
185
|
89
|
99
|
120
|
128
|
630
|
310
|
170
|
170
|
180
|
25
|
4
|
22
|
30
|
|
|
DPL100~DPL200
|
|
|
|
公稱通徑mm
|
外形尺寸mm
|
濾芯拆卸高度mm
|
管路連接尺寸mm
|
管路安裝尺寸
|
基座安裝尺寸mm
|
凈重
|
|
DN
|
H
|
B
|
L
|
H1
|
D
|
D0
|
C
|
h
|
L3
|
B1
|
H2
|
L1
|
L2
|
b
|
R
|
n
|
d1
|
kg
|
|
100
|
800
|
412
|
528
|
790
|
190
|
108
|
140
|
42
|
290
|
360
|
364
|
150
|
734
|
335
|
18
|
3
|
18
|
115
|
|
150
|
940
|
550
|
660
|
790
|
240
|
159
|
135
|
57
|
380
|
380
|
335
|
180
|
870
|
470
|
20
|
3
|
24
|
160
|
|
200
|
1050
|
612
|
750
|
945
|
310
|
219
|
135
|
57
|
438
|
400
|
368
|
180
|
980
|
550
|
20
|
3
|
24
|
210
|
|
|
法蘭標準:GB573-65(可根據需要確定):DN100、150-3 組濾芯組件 DN200-4 組濾芯組件;壓差發訊器為選配件。
|
|
序號NO
|
公稱網目數(參數)(目/英寸)
|
網孔基本尺寸mm
|
過濾精度(參考)UM
|
金屬絲直徑
|
單位面積網重kg/m2
|
篩分面積百分率%
|
相當英制目數(目/英寸)
|
|
|
|
|
|
1
|
10
|
2.00
|
2000
|
0.400
|
0.933
|
0.949
|
0.841
|
69
|
10.58
|
|
2
|
20
|
1.00
|
1000
|
0.250
|
0.71
|
0.712
|
0.631
|
64
|
20.32
|
|
3
|
40
|
0.450
|
450
|
0.180
|
0.720
|
0.732
|
0.649
|
51
|
40.32
|
|
4
|
60
|
0.280
|
280
|
0.140
|
0.653
|
0.655
|
0.589
|
44
|
60.48
|
|
5
|
80
|
0.200
|
200
|
0.112
|
0.562
|
0.572
|
0.507
|
41
|
81.41
|
|
6
|
118
|
0.125
|
114
|
0.090
|
0.527
|
0.536
|
0.475
|
34
|
118.41
|
|
7
|
158
|
0.090
|
78
|
0.071
|
0.438
|
0.446
|
0.395
|
31
|
157.76
|
|
8
|
200
|
0.071
|
46
|
0.056
|
0.346
|
0.352
|
0.312
|
31
|
200
|
|
9
|
264
|
0.056
|
38
|
0.040
|
|
0.237
|
0.210
|
34
|
264.6
|
|
10
|
300
|
0.050
|
34
|
0.032
|
|
0.178
|
0.158
|
37
|
309.8
|
|
11
|
363
|
00.040
|
30
|
0.030
|
|
0.183
|
0.162
|
32
|
363
|
|
|
|
|
|
|
|
|
|
|
|